Распределитель ВЕ 10 574А В220 модульный CETOP 5 / Ду 10 мм / 220 В
00.00р.
Распределитель ВЕ 10 574А В220 – компонент гидросистемы модульного монтажа, используемый для управления потоком рабочей жидкости, путем переключения выходов подключенных питающих линий. Конструкция изделия включает надежный золотниковый механизм и управляющие электромагнитные катушки с коннекторами.
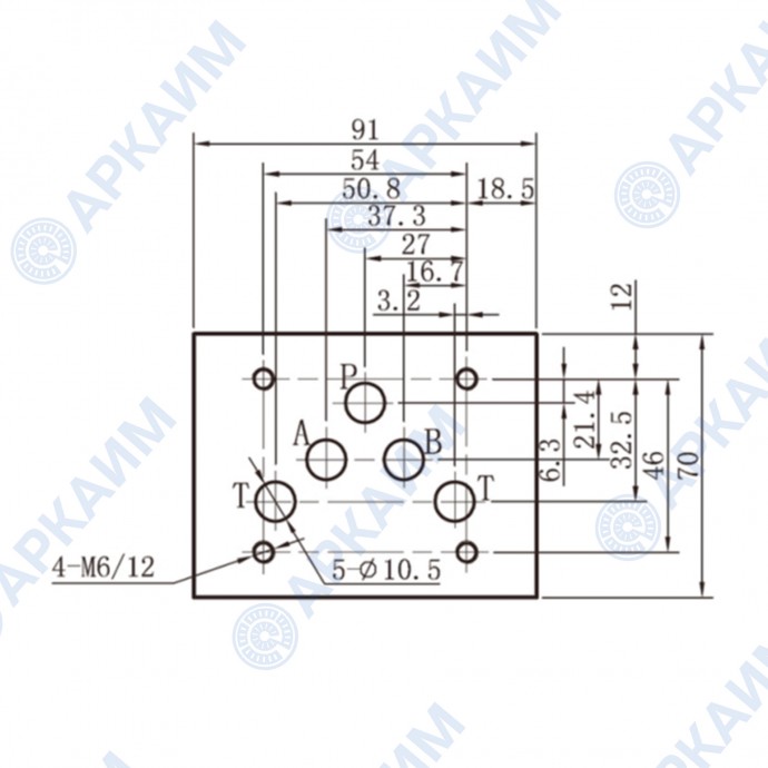
Корпус распределителя ВЕ 10 574А В220 предполагает сборку воедино на монтажной плите с соответствующей ответной частью стандарта CETOP (ISO).
Краткие характеристики изделия:
Стандарт монтажной поверхности (плиты): CETOP 5
Диаметр условного прохода каналов, Ду: 10 мм
Напряжение катушек, 220 В*
Номер гидравлической схемы по ГОСТ РФ: 574А
Максимальное рабочее давление
в линиях Р, А, В: 315 бар
в сливной линии Т: 160 бар
Максимальная пропускная способность: 120 л/мин
Диапазон рабочих температур: от -30 до +80 °С
* При необходимости другого напряжения соленоида: обратитесь к соответствующей позиции в данном каталоге или спрашивайте наличие у менеджеров (возможные версии 12, 24, 110 или 220 В). На нашем складе запчастей в ассортименте представлены катушки различного напряжения, которые совместимы с данным гидрораспределителем и, по желанию заказчика, могут быть укомплектованы в готовое изделие.
Применение модульных распределителей
Эти гидравлические распределители модульного монтажа нашли широкое применение в устройстве гидросистемы при производстве станков и другого промышленного оборудования.
Подобные распределители считаются наиболее частыми компонентами при модульной сборке гидроаппаратуры, в частности при производстве гидравлических насосных, смазочных, фильтровальных станций.
Еще одно важное назначение этих модульных распределителей заключается в комплектации мобильных гидравлических систем спецтехники, например на строительных, лесных, коммунальных, дорожных спецмашинах.
Схема распределителя соответствует ГОСТу РФ, имеет взаимозаменяемость и полную совместимость по посадке и техническим данным с изделиями соответствующей маркировки от Agro-Hytos, Rexroth, Atos, Nordhydraulic и других мировых производителей гидравлики.
| Основные показатели | |
| Ду (условный проход) | 10 мм |
| Стандарт монтажа | CETOP 5 |
| Давление в линиях Р, А, В; до | 315 бар |
| Давление в сливной линии, Т; до | 160 бар |
| Напряжение катушек | 220 В |
| Пропускная способность | 120 л/мин |
| Номер гидросхемы по ГОСТ | 574А |
| Рабочая температура | -30 ... +80 °С |





