ПН-ПТ 9:00-18:00
Youtube instagram vk

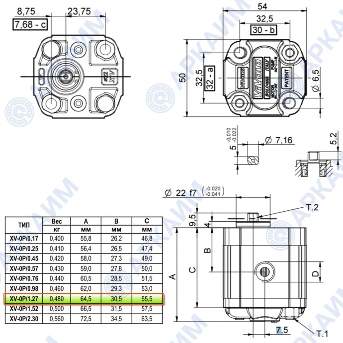
Гидронасос Vivoil X0P0921ABBBA (XV 0P/1.27) 0 гр, 1.26 см3, до 7,18 л/мин, ¼ bsp, левое вращение

0

0 р.

Гидравлический насос Vivoil X0P0921BBBA (XV 0P/1.27) преобразует механическую энергию привода в гидравлическую энергию потока рабочей жидкости для создания на выходе требуемого давления. Технически, перемещение жидкости происходит благодаря работе двух сопряженных шестерен, выдавливающих масло из полости нагнетания, в выходное отверстие, что определяет тип насоса – шестеренный однонаправленный.

Гидронасос 0-ой группы имеет рабочий объем 1,26 см3 и при полной нагрузке обеспечивает подачу на выходе, равную 7,18 л/мин, вращение вала до 6000 об/мин. Имеет фланец типа "HY" диаметром Ø22 мм. Ограничение по рабочему давлению 220 бар (пиковое +8%).

Параметры присоединения насоса к гидросистеме:
Входное отверстие (всасывающее) внутренняя цилиндрическая резьба 1/4" BSPP.
Выходное отверстие (напорное) внутренняя цилиндрическая резьба 1/4" BSPP.

Вал насоса: технические особенности и возможные модификации
Стандартно насос поставляется в составе с фрезерованным валом ø7 с хвостовиком 5 мм (маркировка «B»), но также имеет другие модификации с коническим и цилиндрическим валами (подробнее в технической спецификации).

Вращение вала – левое, и реверсивное вращение на рабочих режимах недоступно. В случае необходимости модели с правым вращением, обратите внимание на изделие с маркировкой X0P0922BBBA или выберите гидронасос с опцией реверса «из коробки», который есть в сериях XR001 - XR331.

Особенности корпуса насоса с фланцем "HY"
Стандартная модель насоса имеет входные и выходные отверстия, расположенные непосредственно на корпусе (камере нагнетания), а под заказ возможны конфигурации с отверстиями на фланце и крышке (подробнее в технической спецификации).

Корпус гидронасоса, включая фланец и крышку отлиты из усиленного алюминиевого сплава с повышенной стойкостью к механическим воздействиям. Шестерни с валом стальные, а уплотнения произведены из эластичного химически стойкого полимерного материала.

Гидравлический насос Vivoil X0P0921ABBA применяется для нагнетания давления в промышленном оборудовании и спецтехнике. Например, в обрабатывающих станках, гидравлических подъемных механизмах, сельскохозяйственном, горнодобывающем и дорожном навесном оборудовании. Приводом может служить любой совместимый по сопряжению и крутящему моменту двигатель, подключенный к валу напрямую, через редуктор или коробку отбора мощности.
Основные показатели
Группа гидронасоса 0
Рабочий объем (см3) 1.26 см3
Номинальное давление 220 бар
Соединение вход G 1/4, выход G 1/4
Подача до 7,18 л/мин
Вал насоса фрезерованный, ø7
Направление вращения левое
Скорость вращения до 6000 об/мин