Гидронасос Vivoil X0P1121BBBA (XV 0P/1.52) 0 гр, 1.48 см3, до 8,43 л/мин, ¼ bsp, левое вращение
00.00р.
Гидравлический насос Vivoil X0P1121BBBA (XV 0P/1.52) преобразует механическую энергию привода в гидравлическую энергию потока рабочей жидкости для создания на выходе требуемого давления. Технически, перемещение жидкости происходит благодаря работе двух сопряженных шестерен, выдавливающих масло из полости нагнетания, в выходное отверстие, что определяет тип насоса – шестеренный однонаправленный.
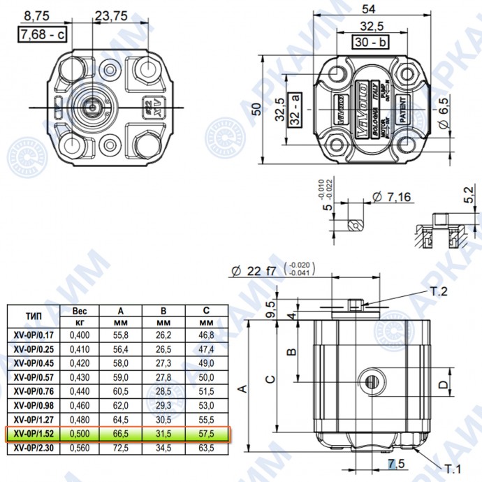
Гидронасос 0-ой группы имеет рабочий объем 1,48 см3 и при полной нагрузке обеспечивает подачу на выходе, равную 8,43 л/мин, вращение вала до 6000 об/мин. Имеет фланец типа "HY" диаметром Ø22 мм. Ограничение по рабочему давлению 220 бар (пиковое +8%).
Параметры присоединения насоса к гидросистеме:
⋅Входное отверстие (всасывающее) внутренняя цилиндрическая резьба 1/4" BSPP.
⋅Выходное отверстие (напорное) внутренняя цилиндрическая резьба 1/4" BSPP.
Вал насоса: технические особенности и возможные модификации
Стандартно насос поставляется в составе с фрезерованным валом ø7 с хвостовиком 5 мм (маркировка «B»), но также имеет другие модификации с коническим и цилиндрическим валами (подробнее в технической спецификации).
Вращение вала – левое, и реверсивное вращение на рабочих режимах недоступно. В случае необходимости модели с правым вращением, обратите внимание на изделие с маркировкой X0P1122BBBA или выберите гидронасос с опцией реверса «из коробки», который есть в сериях XR001 - XR331.
Особенности корпуса насоса с фланцем "HY"
Стандартная модель насоса имеет входные и выходные отверстия, расположенные непосредственно на корпусе (камере нагнетания), а под заказ возможны конфигурации с отверстиями на фланце и крышке (подробнее в технической спецификации).
Корпус гидронасоса, включая фланец и крышку отлиты из усиленного алюминиевого сплава с повышенной стойкостью к механическим воздействиям. Шестерни с валом стальные, а уплотнения произведены из эластичного химически стойкого полимерного материала.
Гидравлический насос Vivoil X0P1121BBBA применяется для нагнетания давления в промышленном оборудовании и спецтехнике. Например, в обрабатывающих станках, гидравлических подъемных механизмах, сельскохозяйственном, горнодобывающем и дорожном навесном оборудовании. Приводом может служить любой совместимый по сопряжению и крутящему моменту двигатель, подключенный к валу напрямую, через редуктор или коробку отбора мощности.
| Основные показатели | |
| Группа гидронасоса | 0 |
| Рабочий объем (см3) | 1.48 см3 |
| Номинальное давление | 220 бар |
| Соединение | вход G 1/4, выход G 1/4 |
| Подача | до 8,43 л/мин |
| Вал насоса | фрезерованный, ø7 |
| Направление вращения | левое |
| Скорость вращения | до 6000 об/мин |







