Гидронасос Vivoil X1P1801FIIA (XV-1P/1.7) 1 гр, 1.56 см3, до 10.2 л/мин, Ø12 M6, левое вращение
00.00р.
Гидравлический насос Vivoil X1P1801FIIA серии XV-1P преобразует механическую энергию привода в гидравлическую энергию потока рабочей жидкости для создания на выходе требуемого давления. Технически, перемещение жидкости происходит благодаря работе двух сопряженных шестерен, выдавливающих масло из полости нагнетания, в выходное отверстие, что определяет тип насоса – шестеренный однонаправленный.
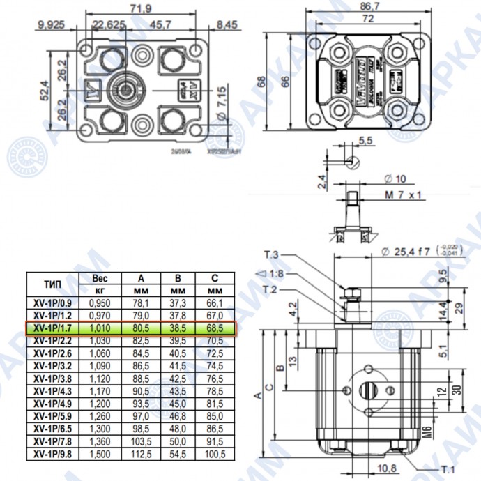
Гидронасос 1-ой группы имеет рабочий объем 1,56 см3 и при полной нагрузке обеспечивает подачу на выходе, равную 10.2 л/мин, вращение вала до 9000 об/мин,. Имеет стандартный фланец диаметром Ø25,4 мм. Ограничение по рабочему давлению 250 бар (пиковое +8%).
Параметры присоединения насоса к гидросистеме:
⋅Входное отверстие (всасывающее) Ø12 мм с креплением фитинга М6 Ø30
⋅Выходное отверстие (напорное) Ø12 мм с креплением фитинга М6 Ø30
Вал насоса: технические особенности и возможные модификации
Стандартно насос поставляется в составе с коническим валом 1:8 Ø10 M7x1 со шпонкой 2,4 мм, но также имеет другие модификации с цилиндрическим и фрезерованным валами (подробнее в технической спецификации).
Вращение вала – левое, и реверсивное вращение на рабочих режимах недоступно. В случае необходимости модели с правым вращением, обратите внимание на изделие с маркировкой X1P1802FIIA или выберите гидронасос с опцией реверса «из коробки», который есть в сериях XR001 - XR331.
Конфигурации подключения насоса, особенности корпуса
Стандартная модель насоса имеет входные и выходные отверстия, расположенные непосредственно на корпусе (камере нагнетания), а под заказ возможны конфигурации с отверстиями на фланце и крышке (подробнее в технической спецификации).
Корпус гидронасоса, включая фланец и крышку отлиты из усиленного алюминиевого сплава с повышенной стойкостью к механическим воздействиям. Шестерни с валом стальные, а уплотнения произведены из эластичного химически стойкого полимерного материала.
Предлагаемый гидравлический насос Vivoil (Италия) применяется для нагнетания давления в промышленном оборудовании и спецтехнике. Например, в обрабатывающих станках, гидравлических подъемных механизмах, сельскохозяйственном, горнодобывающем и дорожном навесном оборудовании. Приводом может служить любой совместимый по сопряжению и крутящему моменту двигатель, подключенный к валу напрямую, через редуктор или коробку отбора мощности.
| Основные показатели | |
| Группа гидронасоса | 1 |
| Рабочий объем (см3) | 1,56 см3 |
| Номинальное давление | 250 бар |
| Соединение | вход Ø12, выход Ø12 |
| Подача | до 10,2 л/мин |
| Вал насоса | конический 1:8, Ø10 |
| Направление вращения | левое |
| Скорость вращения | до 9000 об/мин |





